Wave Technology Inc.
High Frequency and Optical device
High frequency and Optical device Category
Consignment service of high frequency circuit design
Example of high frequency amplifier design
Consignment of design and production of high frequency semiconductor product test tool
Package and Substrate Design
ICPackage
Module
Simulation
Thermal simulation
Stress simulation
Electrical simulation
Evaluation
Packing Design
Sensor・HIC
Semicondustor Pressure Sensor Design
Analog Semiconductor test Tool Design
Company Profile, and History
Organization Chart
about Wave Technology
>> Japanese
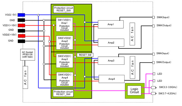
Example of the high frequency amplifier design
Frequency : f=3.3-3.9GHz/3.7-4.2GHz
Output Power : 20W
■Product photography and circuit block diagram
RF Unit
Power Unit
(Click to open the expanded image in different windows.)
▲TOP
Copyright © Wave Technology Inc. All Rights Reserved.
E-mail : info@wti.jp